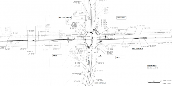
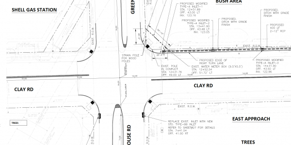
iGET engineering scope covered design of the 4-lane Westmoor Dr – concrete curb and gutter with storm sewer, from Bellaire Blvd to FM 1093, approximately 1900 LF of roadway.
Civil Engineering, Construction Management
Masoud Rahimi Razin, obtained his Bachelor’s degree in civil and structural engineering from University of Tabriz in Iran and he received his Massachusetts CSL Unrestricted License in 2018.
Mr. Razin has 8 years of experience in structural design, Estimating, and Project Management. He works with the architects and engineers to develop civil, structural and architectural plans. He uses Revit and AutoCad to develop the drawings and works with Planswift, Bluebeam Revu and Excel to prepare cost estimates for the projects.
Civil & Structural Engineering
Behzad. brings in fourteen years of progressive experience in Land/site development and Civil infrastructure projects. He has wide-ranging hands on experience in diverse areas of engineering management, construction planning and scheduling, estimation and contract administration.
Behzad also has advanced knowledge of structural design, engineering and construction codes, standards and regulations such as ACI, AISC, ASTM, and common construction specifications and practices. He is proficient in utilizing front-line structural analysis and design of building and industrial infrastructures according to ACI, AISC, ASCE7 and international standards such as IBC, DIN, finite elements and general MS Office.
Civil Engineering, Roadway Design
Purvish Patel, E.I.T obtained his Bachelors in Civil Engineering from M.S. University, and Masters in Civil Engineering from Stevens Institute of Technology in New Jersey.
Mr. Patel has seven years of experience in Civil/ Transportation Engineering. His experience includes project co-ordination and liaison for contract management. He develops detailed construction drawings in MicroStation and AutoCAD and is adept at using MicroStation Geopak Drainage. He developed specifications, design documents and wrote reports summarizing conditions and recommending alternative solutions for numerous civil engineering projects.
Transportation Engineering, Schematics, Roadway Design
Ali Rangwala, P.E. brings in fourteen years of progressive experience encompassing a varied range of Transportation projects. He obtained his Bachelors and Masters in Civil Engineering from India.
Mr. Rangwala’s experience includes Highway and Transit design, Utilities and Drainage design, Stormwater and Best Management Practice. Mr. Rangwala worked on projects for various state and local government clients including TxDOT, Austin Capital Metro, Dallas Area Rapid Transit, New Jersey DOT and Transit Authority, NYCDOT, NYSDOT, etc. He is very familiar with various building codes and design manuals including AASHTO design guides, FHWA MUTCD, TRB HCM, NYCDOT and NYSDOT design standards and specifications, etc.
Mr. Rangwala led projects with construction costs in excess of $25 million, being involved with various project stages from preparation of RFP and cost proposal through completion of final PS&E, and construction management and support services. His experience has emerged from being a Jr. Engineer to managing multiple projects as a Principal Engineer. Rangwala offers sound technical and management skills, with extensive knowledge of CADD and Engineering softwares like AutoCAD and Microstation, AutoTURN, Hydraflow, Hydrograph, HydroCAD, HEC-RAS, MS Project, etc.
Civil Engineering, Hydrology & Hydraulics
Muhammad Rahman, P.E. obtained his Bachelors in Civil Engineering from Bangladesh University of Engineering, Masters in Civil Engineering from the University of Cincinnati, and MBA from the University of Rajshahi. Mr. Rahman brings in twelve years of diverse experience that spans Hydrology and Hydraulics engineering, drainage and flood control, channel improvements design, oversight of topographic and bathymetric surveying, digital terrain modeling, construction oversight, and project management. Mr. Rahman is experienced in HEC-RAS, ArcGIS/ArcViewGIS, AutoCAD and HYDRO pro.
Hydrology & Hydraulics, Flood Control, Drainage
Adel Zantout, P.E. has three decades of professional experience in Government and Private environments involving floodplain studies; hydraulic and numerical modeling; coordination with local, state and federal agencies; design and field activities. Mr. Zantout obtained his Bachelors and Masters in Civil Engineering from the University of Florida. He practiced engineering in the state of Texas for over twenty years. Highlights of experience include dam safety and dam breach analyses; numerous floodplain hydrologic and hydraulic studies; paving, water and sewer projects. Mr. Zantout is proficient in numerical applications of hydraulic and hydrological principles, with an excellent working knowledge of analytical programs including SWFHYD, HEC-1, HEC-2, HEC-HMS, HEC-RAS, DAMBREAK, and UKPIPE NET.
Mr. Zantout’s achievements include the development of a complete drainage master plan for City of Copperas Cove, Texas. This comprehensive study and design criteria subsequently presented guidelines for drainage improvements in developed and undeveloped areas of the city.
Structural Engineering
Salvador Nunez, P.E. has experience of over thirty years that spans Commercial Construction, Apartment Buildings, Petrochemical Plants, Institutional, Industry Facilities Construction Design, Remedial Studies, Rehabilitation and Renovation of Historical Facilities. Mr. Nunez obtained his Bachelors in Civil Engineering, and Bachelors in Agricultural Engineering from New Mexico State University. He practiced Civil and Structural Engineering in Texas, California, New Mexico and Nevada. Mr. Nunez is also well experienced in all phases of plant design including Site Selection, Overall Plant Layout, Design Development and Major Capital Improvements on existing plants for Revisions/Amplifications and renovations.
Architecture and Urban Planning
Daniel Mazilu, AIA is a Registered Architect with over 30 years experience on a diversified project portfolio. His projects vary from large scale developments for major shopping centers, multifamily complexes, to medium and large commercial buildings. Over the years, Daniel was involved on several post offices, education buildings, office buildings, and healthcare facilities.
Daniel’s extensive work with the NGBS and HERS/RESNET as a green verifier inspecting the implementation of the IECC- International Conservation Codes give him the broad experience and knowledge to review any design and implement the energy efficiency standards into the projects. Also his certifications allow him to inspect and verify the proper use of the building materials into new and existing structure and the proper use of the building codes with regards to the energy efficiency.
P.E.,PMP®,ENV SP – Principal Engineer
Civil & Structural Engineering, Project Management
Dr. Pilla is a subject matter expert in Structural Engineering, and Systems Engineering. He brings in over thirty years of experience with broad expertise in Engineering, Program Management, and Quality Management Systems. Dr. Pilla is responsible for ensuring technical excellence and delivery of iGET engineering products across public works, commercial and industrial domains, with a diverse project portfolio. Dr. Pilla has led a variety of design projects that span Buildings & Facilities; Public Works infrastructure – Road & Bridge, Drainage & Flood Control; Industrial plant design; Pressure vessels and Storage tanks.
Dr. Pilla obtained his Bachelors in Civil Engineering from Andhra University College of Engineering in India. He has a Masters in Structural Engineering from Rice University, Masters in Systems Engineering from USC, Masters in Business Administration from University of Houston, Doctorate from University of Maryland, and Graduate Certificate in Executive Management from Stanford. He is a Certified PMP, an ENVISION Sustainability Professional, and a LEAN and Six-Sigma Black Belt.